Технические параметры
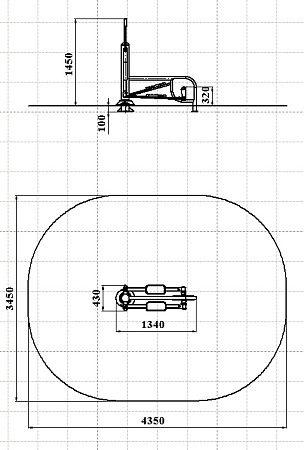
Длина:
1340 мм
Ширина:
430 мм
Высота:
1450 мм
Возраст:
от 14 до 18 лет
Высота падения:
320 мм
Площадь зоны безопасности:
13 м2
СО 6.01 Спортивный тренажер (Палитра 4 (с22/22,34))
Имитатор ходьбы на лыжах рассчитан на тренировку одного пользователя. Пользователь ставит ноги на специальные подножки и удерживаясь за вертикальные рукоятки, шагает, сгибая ноги в коленях и помогая себе руками, движениями вперед и назад как при ходьбе. Такие упражнения развивают координацию движений и укрепляют мышцы и суставы тела.
Комплектация изделия
| Наименование комплектующих | шт. | Входящие материалы |
|---|---|---|
| Тренажер | 1шт. | Выполнен из металла окрашенного порошковой краской и пластика. |



