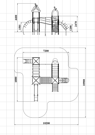
Технические параметры
Длина:
7200 мм
Ширина:
6880 мм
Высота:
4400 мм
Возраст:
от 7 до 13 лет
Высота падения:
2470 мм
Площадь зоны безопасности:
100 м2
ДИК 3.213-ДПК Детский игровой комплекс Н=1500 мм (Палитра 5 (-11,32))
Детский игровой комплекс состоит из трех башен с крышами. На первой башне установлена лестница, спираль наклонная, ручки вспомогательные, ограждение с круглым лазом, вынесенная шведская стенка с рукоходом, перекладиной с гимнастическими кольцами и шестом спиралью. На второй башне установлена горка и фанерное ограждение. На третьей башне установлена лиана, ручки вспомогательные, ограждение фанерное и шведская стенка. Первая и вторая башни соединяются разновысоким мостом с металлическими перилами. Вторая и третья башни соединены подвесным качающимся мостом.
Комплектация изделия
| Наименование комплектующих | шт. | Входящие материалы |
|---|---|---|
| Горка | 1шт. | Высота 1500 мм. Выполнена из фанеры марки ФСФ толщиной 21 мм, металлического каркаса и ската из нержавеющей стали. |
| Крыша1 | 2шт. | Выполнена из фанеры марки ФСФ толщиной 21 мм. |
| Крыша2 | 1шт. | Выполнена из фанеры марки ФСФ толщиной 21 мм и 12 мм. |
| Лестница | 1шт. | Высотой 1200 мм, Выполнена из фанеры ламинированной противоскользящаей, толщиной 18 мм, бруса сечением 40х90 мм. |
| Шест-спираль | 1шт. | Выполнена из металла окрашенного порошковой краской. |
| Лиана | 1шт. | Выполнена из металла окрашенного порошковой краской. |
| Спираль наклонная | 1шт. | Выполнена из металла окрашенного порошковой краской. |
| Ограждение с полукруглым вырезом 1100х450 мм | 2шт. | Выполнено из фанеры марки ФСФ толщиной 21 мм. |
| Ограждение 1100х600 мм | 2шт. | Выполнено из фанеры марки ФСФ толщиной 18 мм. |
| Мост наклонный | 1шт. | Выполнен из металла окрашенного порошковой краской и деревянного бруса сечением 40х135 мм. |
| Мост подвесной с страховочным мостом | 1шт. | Выполнен из металла окрашенного порошковой краской, ламинированной противоскользящей влагостойкой фанеры толщиной 18 мм и полипропиленового каната. |
| Ограждение металлическое моста | 4шт. | Выполнено из металла окрашенного порошковой краской. |
| Перекладина с канатом | 1шт. | Выполнена из металла окрашенного порошковой краской и полипропиленового каната. |
| Перекладина | 24шт. | Выполнена из металла окрашенного порошковой краской. |
| Ручка вспомогательная | 4шт. | Выполнена из металла, покрытого слоем резины. |
| Перекладина с кольцами | 1шт. | Выполнена из металла окрашенного порошковой краской, полипропиленового каната и ламинированной противоскользящей влагостойкой фанеры толщиной 18 мм. |
| Площадка | 3шт. | Выполнена из ламинированной противоскользящей влагостойкой фанеры толщиной 18 мм. |
| Столб | 18шт. | Выполнен из древесно-полимерного композита (ДПК) сечением 100х100 мм. |






