Технические параметры
Длина:
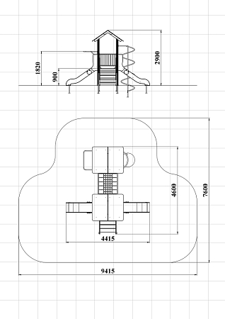
4600 мм
Ширина:
4415 мм
Высота:
2900 мм
Возраст:
от 3 до 6 лет
Высота падения:
1820 мм
Площадь зоны безопасности:
71 м2
ДИК 2.271-ДЕРЕВО Детский игровой комплекс Н=900 мм (Палитра 1 (-15))
Детский игровой комплекс состоит из двух башен. На одной из башен установлена лестница, две горки и крыша, на другой башне установлены турник, шест спираль, шведская стенка, ручки вспомогательные и ограждение из бруса с перекладинами Башни соединены между собой канатным мостом.
Комплектация изделия
| Наименование комплектующих | шт. | Входящие материалы |
|---|---|---|
| Горка | 2шт. | Высота 900 мм. Выполнена из фанеры марки ФСФ толщиной 21 мм, металлического каркаса и ската из нержавеющей стали. |
| Крыша | 2шт. | Выполнена из фанеры марки ФСФ толщиной 21 мм и15 мм. |
| Лестница | 1шт. | Высотой 900 мм, Выполнена из фанеры ламинированной противоскользящаей, толщиной 18 мм, бруса сечением 40х90 мм. |
| Шест-спираль | 1шт. | Выполнен из металла окрашенного порошковой краской. |
| Турник | 1шт. | Выполнен из металла окрашенного порошковой краской. |
| Мост канатный | 1шт. | Выполнен из металла окрашенного порошковой краской и полипропиленового каната. |
| Перекладина | 6шт. | Выполнена из металла окрашенного порошковой краской. |
| Ручка | 4шт. | Выполнена из металла, покрытого слоем резины. |
| Ограждение из бруса и металлических перекладин | 1шт. | Выполнено из оцинкованного металла и деревянно-го бруса сечением 40х90 мм. |
| Площадка | 2шт. | Выполнена из ламинированной противоскользящей влагостойкой фанеры толщиной 18 мм. |
| Столб | 8шт. | Выполнен из клееного деревянного бруса, сечением 100х100 мм. |






